Cast aluminum T-slot plates "UNI20"

Cast aluminum T-slot plates

Cast aluminum T-slot plates

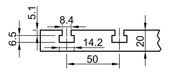
T-slot plates made of solid cast aluminum. As a result of the smooth underside, these can be simply suctioned on a vacuum table or directly attached on a machine in the classical way. This enables you to mount vises, clamping towers, mounting angles and everything else you wish to clamp on a T-slot plate.

Alignment of T-slots always parallel to the long side of the panel.

Please note: If the weight exceeds 30 kg the shipment will be made
via a freight forwarder. Since the shop cannot calculate shipping costs,
please contact us by email or telephone to place an order.

1 to 51 (from a total of 51)